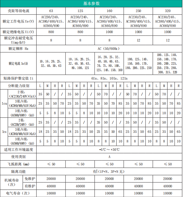
TGM1N 系列塑料外壳式断路器是采用国际先进技术平台开发的新型断路器,该产品适用于交流 50/60Hz,额定工作电压 690V 及以下的电路中做配电保护作用,也可做为线路的不频繁转换和电动机的不频繁启动之用,该产品具有外观精美、体积精巧、维护便捷、性能优越等优势,其优异的性能和超高的性价比可全面替代市面上 M1 系列产品。
本系列断路器具有过载、短路保护装置。本系列断路器可垂直安装(即竖装),亦可水平安装(即横装),具有隔离功能。
断路器符合下列标准:
IEC 60947-1 及 GB/ 14048.1 《低压开关设备 第1部分:总则》。
IEC 60947-2 及 GBT 14048.2 <低圧开关设备 第2部分:断路器>。
产品认证:CCC、CB、CE。
TGW1N 系列万能式断路器,适用于交流50Hz,额定电压AC380V~AC690V,额定电流200A~6300A 的配...
TGM3 系列塑料外壳式断路器 ( 以下简称断路器 ) 是我公司采用国际先进技术研制、开发的新型断路器之一。具有零飞弧、...
TGM3E 系列塑料外壳式断路器(以下简称断路器)是我公司采用国际先进技术研制、开发的新型断路器之一。具有四段选择性保护...
TGQ1N 系列自动转换开关电器适用于交流 50Hz, 额定工作电压 AC400V,额定工作电流至 800A 的三相四...
TGB1N-63 小型断路器(以下简称断路器)主要适用于交流 50/60Hz,额定电压 230V/400V,额定电流至 ...
您可以向糖心vogo入口发送有关糖心vogo入口电气的问题咨询